
YYVF2系列新能源汽车助力转向泵电机是皖南电机针对新能源汽车转向系统——“电子液压助力转向系统”(EHPS系统)研发的新型产品。
 配套助力转向泵、应用在新能源汽车电子液压转向系统。
变频范围5—50Hz为变转矩,50—100Hz为恒功率。
高转矩,峰值转矩达2倍,峰值持续时间30秒。
防护等级为IP56/IP67,铝压铸外壳防海浪,符合国际标准,安全运行有保障。
采用H级绝缘,耐热度高,抗冲击性强、绝缘寿命长。
通过ISO/TS16949质量管理体系认证,电机效率高、振动小、噪声低、性能稳定。


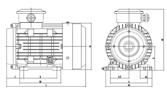
YYVF2系列新能源汽车助力泵电机外形尺寸可根据用户配套设备需求定制。

专注电机制造60年,服务全球制造业
YQC系列新能源汽车驱动电机